Ürün Fotoğrafı

Çekiçli Değirmen (Üflemeli)

Çekiçli değirmen makineleri, endüstriyel üretim süreçlerinde kullanılan yüksek verimli öğütme sistemleridir. Döner mil üzerine monte edilen çekiçler sayesinde malzemeleri darbeli şekilde parçalayarak istenen boyuta getirir. Tarım, yem, gıda, kimya ve geri dönüşüm gibi birçok sektörde tercih edilir. Dayanıklı yapısı sayesinde uzun süreli ve kesintisiz kullanım sağlar. Ayarlanabilir elek sistemi ile farklı granül ölçülerine uygun çalışma sunar. Firmamızın ürettiği çekiçli değirmen makineleri, yüksek performans ve enerji verimliliği ile öne çıkar. Kolay bakım imkânı, kullanıcı dostu tasarım ve modüler yapısıyla üretim süreçlerinde maksimum verim sağlar. Zorlu koşullarda dahi güvenilir çalışması ile işletmelerin üretim gücünü artırır. Yerli üretim kalitesi ve satış sonrası teknik destek ile çözüm ortağınız olur. Güvenilir, güçlü ve sürdürülebilir bir öğütme çözümü sunar.

Büyültmek için resime tıkla.

Teknik Fotoğraf
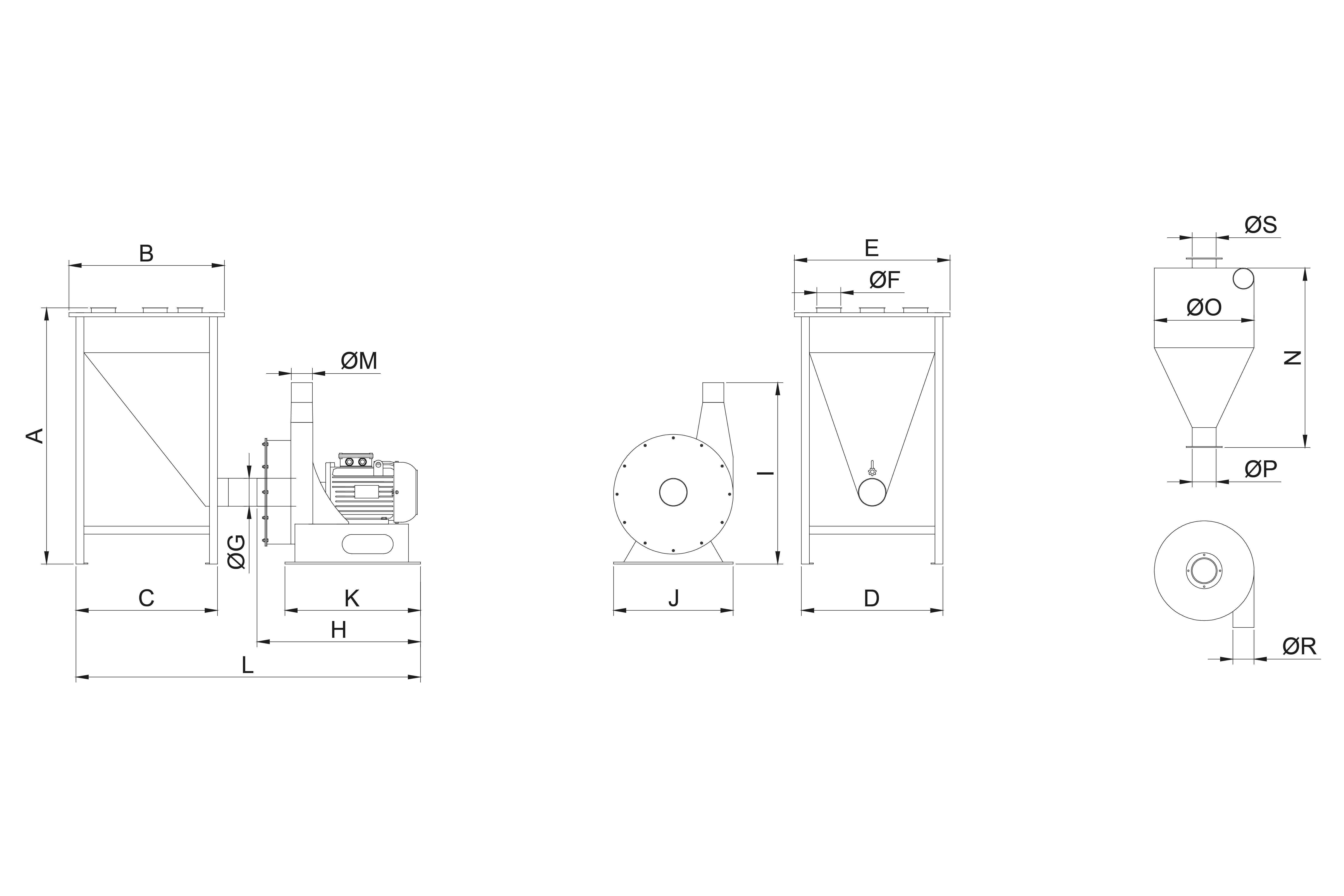
Teknik Tablo Fotoğrafı
PDF Icon
Ürün Katalogunu Görüntüle
Kataloğu Görüntüle